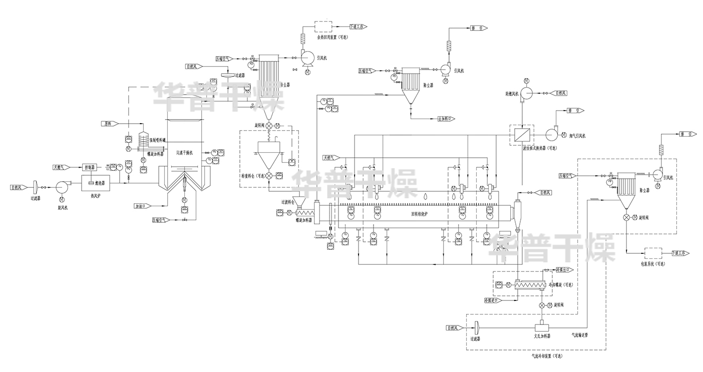
工藝流程圖

系統流程闡述
該系統主要由三部分組成:干燥系統、回轉焙燒爐系統以及冷卻輸送系統。干燥系統主要由加熱器、加料器、干燥機、除塵器、風機以及控制系統組成。由于有些特殊物料的特殊性質,系統中的加料器為特殊設計,可根據物料特性進行選擇。加熱器為新式結構熱效率更高、更安全。除塵器根據物料特性進行設計?;剞D焙燒爐系統主要由過渡料倉(可選)、回轉焙燒爐以及加熱器系統(電加熱或天然氣)。過渡料倉可備選稱重系統。回轉焙燒爐根據物料特性進行設計,材料、防腐等可以根據物料進行設計。加熱系統可以采用電加熱或天然氣加熱。冷卻輸送系統可采用冷卻螺旋或氣流冷卻輸送裝置或兩種組合。
產品特點
1、自動控制系統可根據用戶要求或外部條件的改變快速反應調節。主要表現在進風溫度自動調節控制、出風溫度與進料量連鎖控制(保證產品品質一致)、系統壓力調節(自動或手動)以保證系統穩定。焙燒爐控制精度高,分區控制,每區加熱溫度與加熱源連鎖控制,每區物料溫度可通過特殊測溫方式實時顯示在控制柜上,并方便用戶工藝改變時調整控制。
2、系統能很好的控制金屬磁性異物的引入,可將金屬磁性異物的引入控制在30PPB~50PPB之間。
3、簡化、優化系統流程,降低了物料泄漏,提高了物料品質。
4、焙燒爐筒體整體加工,徑向跳動≤4mm/m。
5、焙燒時可根據物料要求通入惰性氣體等載氣。
6、系統可配套余熱回用裝置,可節約能耗20~30%。